|
在线咨询

微信公众账号
|
|
| |
|
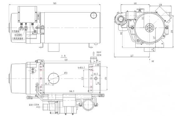
| 产品名称: |
YJP-Q(25/30/35) |
| 参数介绍: |
热流量(KW): 25/30/35
耗油量(L/h): 2.7/3.4/3.85
工作电压(V): 12/24
功耗(W): 214
重量(KG): 23
外形尺寸(mm): 585×365×295
适用范围:重型卡车、特种车、工程车、客车等水冷发动机低温启动;大中型客车取暖与除霜
|
| 安装图纸: |
|
| 备注信息: |
采用先进的高压喷射雾化方式,优化的油气配比设计,具有点火迅速、热效率高、故障率低、可靠性强、排放环保等特点; 特点: 1.结构紧凑,拆装维修方便; 2.开机过程检测,指示灯显示加热器工作情况,闪码指示报警,人性化设计; 3.采用喷射雾化技术,燃烧效率更高; 4.采用高压点火装置,点火速度<5S,燃烧噪音<66dB 5.启动更加省电,点火装置耗电仅为电热塞结构的5%,大大减轻了蓄电池的负担; 6.具有过压和负压保护功能,当负载电压高于DC32V或低于20V时,加热器能保护停机,确保加热器工作安全稳定; 7.前进风设计,可根据海拔不同对进风量进行调整从而达到高海拔地区使用的稳定性; 8.加热器废气排放达到国V排放标准; |
| |
|