中文版首页产品中心空气系统FJH系列FJH-5A  中文 English PycckNN
 
   首页
 
在线咨询
    
   
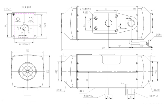
产品名称: FJH-5A
参数介绍:

热流量(KW):   5

耗油量(L/h):   0.63

工作电压(V):   12/24

功耗(W):   90

重量(KG):   6.5

外形尺寸(mm):   425×150×160

适用范围:适用于特种车设备舱、保温舱升温取暖,17座以下中型客车和各类工程车辆操作室取暖

   
安装图纸:
 
备注信息: 采用挥发雾化技术,燃烧更加充分,稳定,热效率高。能够在-45℃以上的超低温环境下运行,彻底解决了低温环境下野外舱体采暖要求的困扰;
特点:
 1.结构紧凑,体积小巧,安装维修简便;
 2.燃烧效率高>99%,低能耗,性能可靠,升温快;
 3.油泵采用变频控制,保证油量更精准,排放更低更省电;
 4.功率可无极调节,并可选定10℃-30℃自动恒温;
 5.具有高海拔补偿装置,保证海拔5000米和其他恶劣条件下正常使用;
 6.具有安全保护和自我诊断功能,可选装订时、遥控装置;
 7.低噪音,可选装消声器;
 8.采用铝合金铸造,无异味,尾气排放符合欧洲环保要求;

 
 
 
 
  版权所有 BEIJING JINGWEI VEHICLE EQUIPMENT CO.,LTD   技术支持:银河网创