中文版首页产品中心空气系统FJH系列FJH-5(替代原QN150)  中文 English PycckNN
 
   首页
 
在线咨询
    
   
产品名称: FJH-5(替代原QN150)
参数介绍:

热流量(KW):   5

耗油量(L/h):   0.63

工作电压(V):   12/24

功耗(W):   100

重量(KG):   9

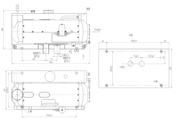
外形尺寸(mm):   500×250×248

适用范围:适用于特种车设备舱、保温舱、卡车驾驶舱升温取暖,17座以下中型客车和各类工程车辆操作室取暖

   
安装图纸:
 
备注信息: 采用挥发雾化技术,燃烧更加充分,稳定,热效率高。能够在-40℃以上的低温环境下运行,彻底解决了低温环境下野外舱体采暖要求的困扰;
特点:
 1.较原QN150型加热器结构更加合理,体积适中,安装维修简便;
 2.加热器与油箱一体化设计,安装更加简便;
 3.机械柱塞油泵,可靠性强;
 4.燃烧效率高>99%,低能耗,性能可靠,升温快;
 5.具有安全保护和自我诊断功能;
 6.低噪音,可选装消声器;
 7.采用铝合金铸造,无异味,尾气排放符合欧洲环保要求;
 8.关键部位采用防水插件;
 
 
 
 
  版权所有 BEIJING JINGWEI VEHICLE EQUIPMENT CO.,LTD   技术支持:银河网创