中文版首页产品中心水暖系统YJH-Q系列YJH-Q5A(Ⅱ)  中文 English PycckNN
 
   首页
 
在线咨询
    
   
产品名称: YJH-Q5A(Ⅱ)
参数介绍:

热流量(KW):   5

耗流量(L/h):   0.62

工作电压(V):   12/24

功耗(W):   50

重量(KG):   2.9

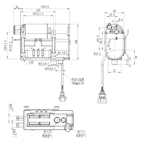
外形尺寸(mm):250×90×160

适用范围:发动机低温启动;与散热器、除霜器配合后独立为卡车、工程车驾驶室取暖及前挡风玻璃除霜

   
安装图纸:
 
备注信息:

特点:
 1.采用自动控制,可将循环介质温度自动稳定在65度—85度之间;燃油消耗量随循环介质温度变化自动调整,降低油耗的同时,延长了加热器的使用寿命;
 2.结构紧凑、体积小、维修方便;
 3.采用全铝机身,导热效率高,油耗更低;
 4.壁挂式安装方式,安装更加方便,占用空间更小;
 5.燃烧效率高>99%,低能耗,性能可靠,升温快,废气可加热发动机油底壳;
 6.具有安全保护和自我诊断功能,可选装定时、遥控装置;
 7.加热器尾气排放符合最严格欧洲尾气排放标准;
 8关键部位采用防水插件,整机满足IPX6防水等级;

 
 
 
 
  版权所有 BEIJING JINGWEI VEHICLE EQUIPMENT CO.,LTD   技术支持:银河网创