中文版首页产品中心水暖系统YJH-Q系列YJH-Q8  中文 English PycckNN
 
   首页
 
在线咨询
    
   
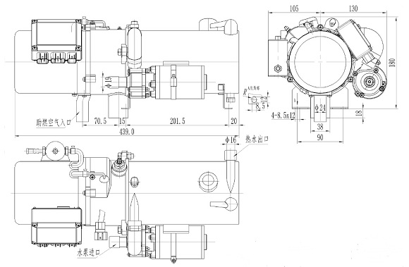
产品名称: YJH-Q8
参数介绍:

热流量(KW):   8

耗油量(L/h):   1.0

工作电压(V):   12/24

功耗(W):   110

重量(KG):   9

外形尺寸(mm):   439×235×180

适用范围:发动机低温启动;与散热器、除霜器配合后可独立为卡车、工程车驾驶室取暖及前挡风玻璃除霜

   
安装图纸:
 
备注信息:

采用挥发雾化技术,燃烧稳定,热效率高。

 
特点:
 1.采用自动控制,可将循环介质温度自动稳定在65度—85度之间;
 2.结构紧凑、体积小、维修方便;
 3.采用机械柱塞油泵,可靠性强;
 4.燃烧效率高>99%,低能耗,性能可靠,升温快,废气可加热发动机油底壳;
 5.具有安全保护和自我诊断功能,可选装定时、遥控装置;
 6.加热器尾气排放符合最严格欧洲尾气排放标准;
 7.关键部位采用防水插件,整机满足IPX6防水等级;

 
 
 
 
  版权所有 BEIJING JINGWEI VEHICLE EQUIPMENT CO.,LTD   技术支持:银河网创