|
采用挥发雾化技术,燃烧稳定,热效率高,能够在-45℃以上的超低温环境下正常启动运行。
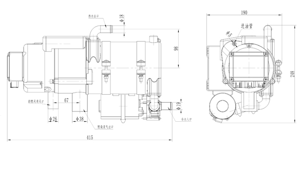
特点: 1.采用自动控制,可将循环介质温度自动稳定在65度—85度之间,燃油消耗量随循环介质温度变化自动调整,降低油耗的同时,延长了加热器的使用寿命; 2.结构紧凑、体积小、维修方便; 3.采用全铝机身,导热效率高,油耗更低; 4.壁挂式安装方式,安装更加方便,占用空间更小; 5.燃烧效率高>99%,低能耗,性能可靠,升温快,废气可加热发动机油底壳; 6.具有安全保护和自我诊断功能,可选装定时、遥控装置; 7.加热器尾气排放符合最严格欧洲尾气排放标准; 8.关键部位采用防水插件,整机满足IPX6防水等级;
|