中文版首页产品中心水暖系统YJH-Q系列YJH-Q15A(18A)  中文 English PycckNN
 
   首页
 
在线咨询
    
   
产品名称: YJH-Q15A(18A)
参数介绍:

热流量(KW):    15/18

耗油量(L/h):   2.0/2.4

工作电压(V):   24

功耗(W):   160/210

重量(KG):   12

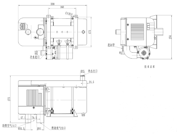
外形尺寸(mm):   398×256×275

适用范围:重型卡车、特种车、工程车、客车等水冷发动机低温启动;与散热器、除霜器配合后可独立为驾驶室取暖及前挡风玻璃除霜或方舱、车厢采暖

   
安装图纸:
 
备注信息:

采用挥发雾化技术,燃烧稳定,热效率高,能够在-45℃以上的超低温环境下正常启动运行。

 
特点:
 1.采用自动控制,可将循环介质温度自动稳定在65度—85度之间,燃油消耗量随循环介质温度变化自动调整,降低油耗的同时,延长了加热器的使用寿命;
 2.结构优化设计,相较于同发热量机型相比结构更加紧凑,安装占用空间更小;
 3.油泵采用变频控制,保证油量更精准,排放更低;
 4.全铝机身结构,热交换效率更高;
 5.结构紧凑、体积小、维修方便;
 6.燃烧效率高>99%,低能耗,性能可靠,升温快,废气可加热发动机油底壳;
 7.具有安全保护和自我诊断功能,可选装订时、遥控装置;
 8.加热器尾气排放符合最严格欧洲尾气排放标准;
 9.关键部位采用防水插件,整机满足IPX6防水等级;

 
 
 
 
  版权所有 BEIJING JINGWEI VEHICLE EQUIPMENT CO.,LTD   技术支持:银河网创